沈陽柯瑞艾特精密機械有限公司供應高剛性滾珠絲杠支撐座,型號齊全,咨詢訂貨024-22515196。
供應型號有:
WBK固定側:WBK6,WBK8,WBK10,WBK12,WBK15,WBK20,WBK25,WBK30
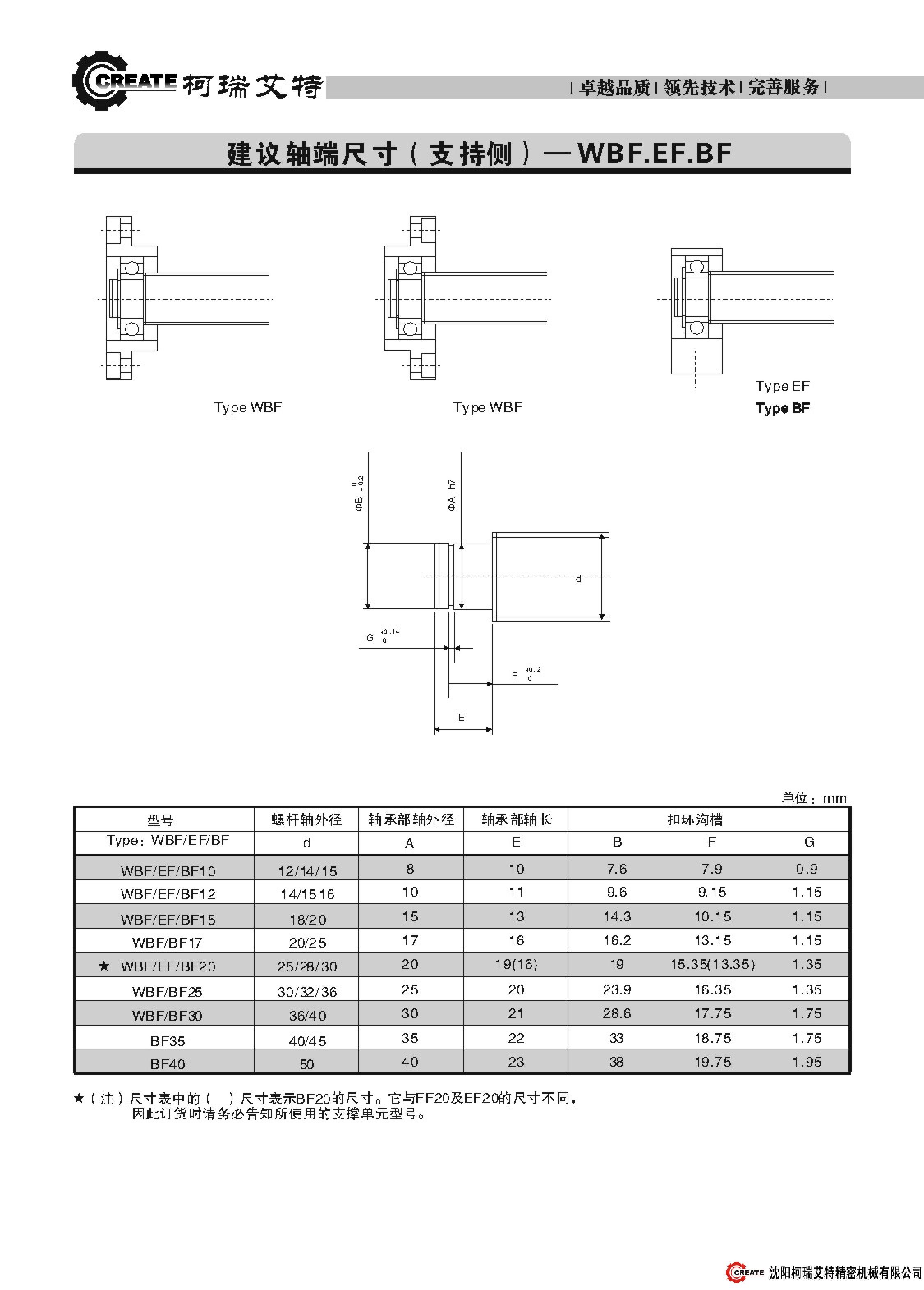
WBF支持側:WBF10,WBF12,WBF15,WBF20,WBF25,WBF30
BK固定側:BK10,BK12,BK15,BK17,BK20,BK25,BK30,BK35,BK40
BF支持側:BF10,BF12,BF15,BF17,BF20,BF25,BF30,BF35,BF40
EK固定側:EK06,EK08,EK10,EK12,EK15,EK20
EF支持側:EF06,EF08,EF10,EF12,EF15,EF20
滾珠絲杠支撐座的詳細資料您可在頁面上點擊“附件下載”。





聯系人: 谷文剛
手機:13840021321
電話:024-22515196
Whatsapp:8613840021321
地址:遼寧省沈陽市沈撫示范區金紫街189-18號錦聯夢工廠B區18號廠房
We chat